企业图页浏览完毕
|
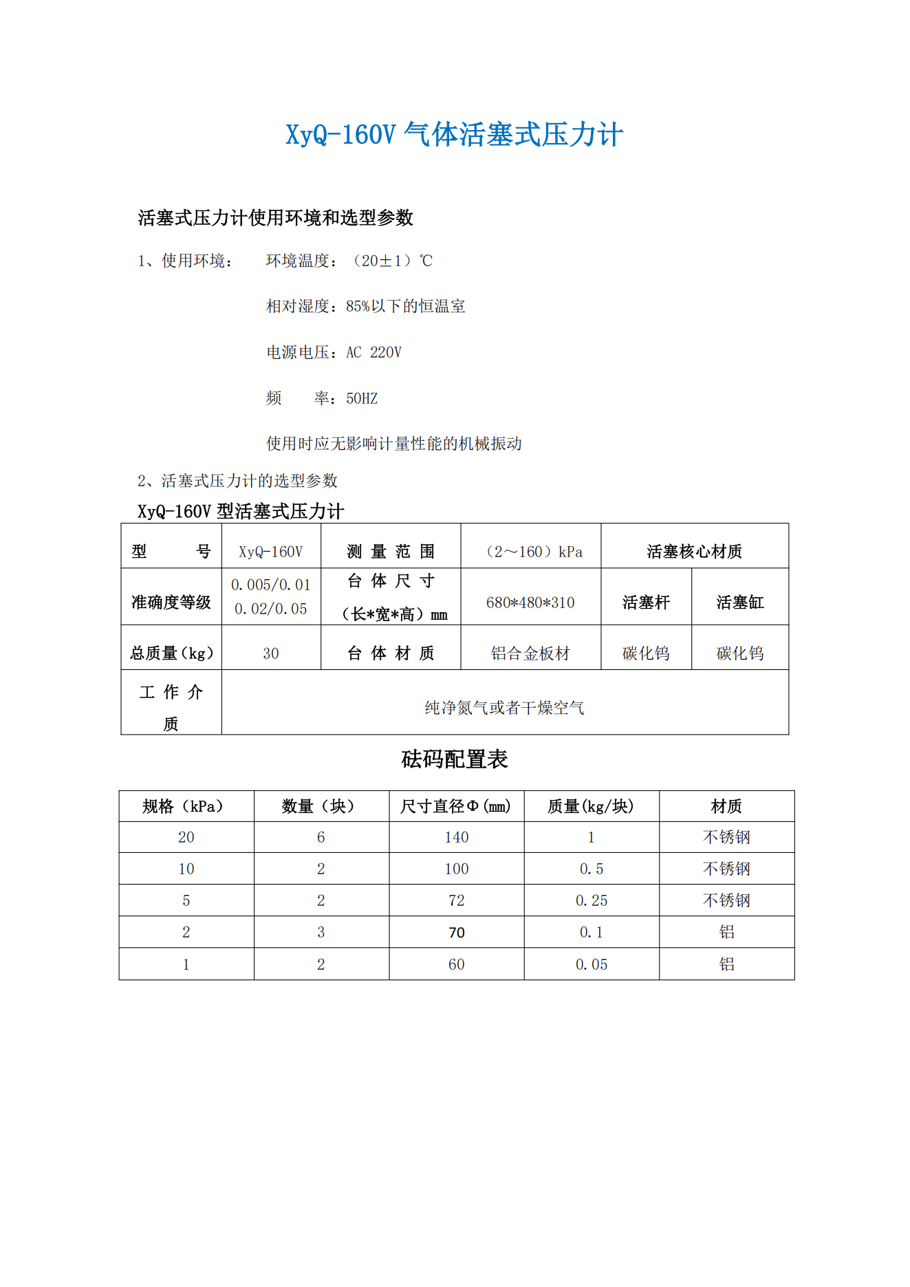
1 / 4
|
智能在线密度计_卫生型压力变送器_压力变送器_传感器芯体_差压变送器_法兰式液位变送器_金属电容式压力/传感器 _上海传感器展_IOTE物联网展_多国仪表展-上海恩邦自动化仪表有限公司
磁电传感器_速度传感器_编码器_磁编码器_液位开关_压力传感器_温度传感器_磁电转速传感器_可变磁阻(VR)转速传感器_防冻开关_温度变送器_流量传感器-上海源本磁电技术有限公司
压力变送器板卡 _温度变送器模块_ 液位变送器模块_工业自动化仪表-上海芯越信息科技有限公司
图页网电子刊-2019年11月北京多国仪表展
单法兰差压变送器_双法兰差压变送器_高精度压力/差压变送器_单法兰差压变送器_风压变送器_差压表_单晶硅变送器-天津宇创屹鑫科技有限公司
物位传感器_智能压力变送器_智能差压变送器_智能温度变送器_智能液位变送器 _ 2018IOTE物联网展-合肥皖科智能技术有限公司